1
/
of
3
PVC Junction Boxes
PVC Junction Boxes
Call for Quote and Customization
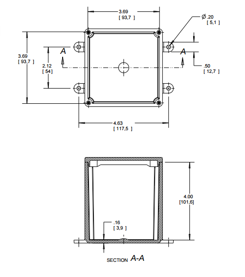
The first nonmetallic junction boxes UL Listed with a NEMA 6P rating per Section 370-29, exception of the 1999 National Electrical Code. Manufactured from PVC or PPO thermoplastic molding compound and featuring gasketed lids attached with stainless steel screws, these rugged enclosures offer all the corrosion resistance and physical properties you need for direct burial applications. Type 6P enclosures are intended for indoor or outdoor use, primarily to provide a degree of protection against contact with enclosed equipment, falling dirt, hose-directed water, entry of water during prolonged submersion at a limited depth, and external ice formation.
Model Types
- 4x4x4 - Junction Box
- 6x6x4 - Junction Box
- 6x6x6 - Junction Box
- 8x8x4 - Junction Box
- 12x12x6 - Junction Box
